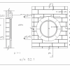
חלון עגול מקרא אקרובט (PDF) ווקטור (MCD) אוטוקאד (DWG) תמונה (GIF) אחר מציג תוצאות 1 עד 6 מתוך 6 סימבולים / בלוקים - חלונות עגולים לתקרה גבוהה קבצים - 22.10.24 חלונות עגולים לתקרה גבוהה בגובה 7 מטרים פרטי בנין - פרט חלון עגול קבצים - 18.08.24 פרט לחלון עגול הבולט מהקיר ע"י פרופילים המותאמים לצורך זה סימבולים / בלוקים - חלון עגול בקיר אבן קבצים - 30.01.20 חלון סובב ציר - כנף עגול בקיר אבן פרטי בנין - מסגרת אבן לחלון עגול עם רפפה קבצים - 8.08.07 חזית וחתך בחלון עגול עם מסגרת אבן פריקסט דגם טוסקנה של אקרשטיין. מסגרת האבן יוצרת קרניז היקפי לחלון. רדיוס חלון פנימי - 35 ס"מ. רדיוס מסגרת חלון חיצ... פרטי בנין - חלון אבן קשתי עם עניבה תחתונה קבצים - 29.07.07 חזית תוכנית וחזית צד לחלון עם מזוזת אבן. החלון קשתי וכולל אבן ראשה. תחתית החלון נראית כמעין מרפסת קטנה בולטת עגולה, מעין עניבה. פרטי בנין - חלון עגול הכולל סף אבן מודגש קבצים - 17.07.07 פרט סף אבן לחלון עגול. הפרט עוטף את החלון מכל הכוונים. שן מיוחדת באבן מונעת כניסת מים ומאפשרת חיבור נוח למשקוף עיוור עליו מורכב חלון האלומיניום. קוטר... חיפוש מתקדם קטגוריות חיפוש פרטי בנין סימבולים/בלוקים הודעות בפורומים שרטוטים ושונות משאבים אינדקס חוקים ותקנות האיש הירוק חיפושים אחרונים במערכת חלון עגול 10.11.25 (06:38) חוץ 10.11.25 (06:38) סימבולים / בלוקים - כסא 10.11.25 (06:37) הודעה - 2009 10.11.25 (06:36) פרויקטים - זכוכית 10.11.25 (06:36) פרט חלון ממד 10.11.25 (06:35) קטלוגים - מכפיל חניה 10.11.25 (06:35) ארגז 10.11.25 (06:32) אבן יפו פרט 10.11.25 (06:32) ערוגה 10.11.25 (06:31)
חיפוש מתקדם קטגוריות חיפוש פרטי בנין סימבולים/בלוקים הודעות בפורומים שרטוטים ושונות משאבים אינדקס חוקים ותקנות האיש הירוק חיפושים אחרונים במערכת חלון עגול 10.11.25 (06:38) חוץ 10.11.25 (06:38) סימבולים / בלוקים - כסא 10.11.25 (06:37) הודעה - 2009 10.11.25 (06:36) פרויקטים - זכוכית 10.11.25 (06:36) פרט חלון ממד 10.11.25 (06:35) קטלוגים - מכפיל חניה 10.11.25 (06:35) ארגז 10.11.25 (06:32) אבן יפו פרט 10.11.25 (06:32) ערוגה 10.11.25 (06:31)