חיפוש - תגובות , סימבולים / בלוקים , שונות , #חשמל#תאורה#תוכנית#עבודה#קיים , עץ , ראש טוש |1| - דף 8
לא מצאת? פשוט חפש.
-
תאורה גופים שונים מבט צד
9.03.22תאורה לפריסות -תאורה גופים שונים מבט צד -
תאורה גופים שונים מבט צד
16.03.22תאורה לפריסות -תאורה גופים שונים מבט צד -
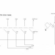
שרטוט חשמל של פחת ומאז
30.10.25ממסר פחת תלת פאזי ומא"ז חד/תלת פאזי -
בלוק בנושא חשמל - מנוע חשמלי
26.12.21בלוק חשוב ביותר בתחום החשמל - מתנע למנוע חשמלי -
פרט ניתוק בין חיפוי קיים לחדש
31.03.24פרט ניתוק בין חיפוי קיים לחיפוי חדש מתאים לגמר פסיפס, קרמיקה, וכדומה -
בלוק דינאמי לסימון שקעים בתוכנית חשמל
17.10.10בלוק המאפשר החלפה בין שקע בודד, מוגן מים, כח וכו' מיועד לתוכניות אדריכליות. נראה לכם שחסר פה משהו? תגידו לי. -
בלוק משתנה ללוחות חשמל
28.06.23הפלוס של בלוק זה שיש לו מצבי שינוי 1. ממסר פחת חד פאזי/תלת פאזי 2. מא"ז חד/תלת פאזי 3. מאמ"ת תלת פאזי 4. נתיך 5. לחצן 6. מא"ז + N חד פאזי 7. מגע פיקוד -
גוף תאורה תלוי
26.06.21גוף תאורה משתלשל מהתקרה. גוף תאורה משתלשל מהתקרה. -
קופסת הארקה
5.12.21קוםסת CI עם פס השוואת פוטנציאלים וכבלי הארקה מחוברים עם נעלי כבל -
בלוק דינאמי לסימון מפסקים לתוכנית חשמל
17.10.10בלוק המאפשר החלפה בין מפסק מדליק יחיד, כפול, משולש, מתג החלפה וכדומה. כולל מתג מוגן מים, מתגים לדוד שמש ותריס חשמלי. נראה לכם שחסר משהו? תגידו לי -
גופי תאורה על רגל - חלק 1 - דו ממד
24.02.11גופי תאורה שונים על רגל, לשימוש בפריסות ושרטוטים. -
גופי תאורה על רגל - חלק 2 - דו ממד
24.02.11גופי תאורה שונים על רגל, לשימוש בפריסות ושרטוטים. חלק שני משלושה. -
גופי תאורה תלויים - 1 - דו ממד
20.07.11גופי תאורה תלויים לשימוש בשרטוטי פריסות, חלק 1 מ 3. -
גופי תאורה על רגל - חלק 3 - דו ממד
24.02.11גופי תאורה שונים על רגל, לשימוש בפריסות ושרטוטים. חלק שלישי משלושה. -
גופי תאורה תלויים - 3 - דו ממד
20.07.11גופי תאורה תלויים וצמודי תקרה לשימוש בשרטוטי פריסות וחזיתות, חלק 3 מ 3.







