חיפוש - פרטי בנין , חלונות , תריס |1|
לא מצאת? פשוט חפש.
-
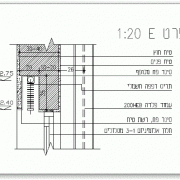
חלון הזזה עם תריס גלילה - 4
2.02.11חתך אנכי בסף העליון של החלון, בכיס הנדרש בבטון לקבלת תריס הגלילה. בפרט ניתן לראות את חיפוי הקיר מצידו הפנימי במעטפת גבס עם בידוד תרמי בצמר זכוכית, את הבידוד לארגז התריס ואת המשקוף העליון של החלון. קובץ משותף - 4 מ 4. דגם רום 120 של אקסטל -
חלון ציר צד עם תריס גלילה ידני
21.06.07חתך בחלון הכולל תריס גלילה עליון מונובלוק. פתח הטיפול לתריס נראה מצידו הפנימי של החלון וגודלו על פי גובה התריס הנדרש. -
תריס רפפה חיצוני בכיס פח מחופה טיח
29.08.07פרט חתך אנכי בכיס המיועד לתריס רפפה חיצוני. הפרט מראה סינר פח מכופף עם רשת טיח המאפשר יצירת כיס מינימלי לתריס הרפפה החשמלי. כאשר התריס מורם הוא כולו נסתר בתוך הכיס מעל למשקוף החלון. -
תריס רפפה חשמלי חיצוני בכיס קורת פלדה
28.08.07חתך אנכי בגג שטוח וקצה קיר עליון בו קבועה קורת פלדה היוצרת כיס לתריס רפפה חיצוני. התריס החשמלי מותקן על כיס פח ואפשר סגירה לחלון שמתחתיו. צינור ברזל או מעקה זכוכית המותקנים בחלק התחתון של עחלון, על הגליף משמשים כמעקה בטיחות. -
תריס רפפה חיצוני בין קורות פלדה
28.08.07פרט חתך אנכי בין שתי קומות בהן יש סגירה חיצונית של פרופילי פלדה וויטרינת זכוכית קבועה. הפרופיל העליון יוצר גם כיס לתריס רפפה חשמלי חיצוני. בפרט נראות גם הרצפות של הקומות והנמכות התקרה. -
חלון הזזה מאלומיניום עם רשת ותריס אל כיס בקיר
21.03.08חזית חתך אנכי ואופקי לפרט של חלון אלומיניום, חלון הזזה, הכולל שלושה נתיבים מקבילים - זכוכית, רשת ותריס רפפה. הכנפיים כולן נכנסות אל כיס בקיר. הפרט מראה את הסגירה אל האדן החיצוני, הפרופיל העוטף את הפתח ומשמש כמשקוף אלומיניום פנימי ואת המידות המינימליות שיש לשמור. -
חלון ותריס מונובלוק עם פתח טיפול תחתון
15.09.10חתך חלון עם תריס מונובלוק בעל פתח טיפול תחתון. הפרט צר יחסית ונכנס בקיר בעובי 24 ס"מ (לפני גמר). בחתך ניתן לראות את הקיר המחופה אבן מבחוץ וטיח מצידו הפנימי, פתח הטיפול לתריס הכולל בידוד תרמי וסף האדן התחתון. פרט ווינר של אלומינה. -
חלון הזזה אלומיניום לשני כיסים עם שלושה נתיבים
21.03.08חזית חתך אנכי ואופקי לפרט של חלון אלומיניום, חלון הזזה, הכולל שלושה נתיבים מקבילים - זכוכית, רשת ותריס רפפה. הכנפיים ניגשות זו אל זו משני הצדדים ונכנסות לשני כיסים בקיר. הפרט מראה את הסגירה אל האדן החיצוני, הפרופיל העוטף את הפתח ומשמש כמשקוף אלומיניום פנימי ואת המידות המינימליות שיש לשמור על מנת להתקין חלון כזה. -
כיס לתריס גלילה חיצוני בקורת בטון
17.09.07חתך אנכי בכיס לתריס גלילה המותקן חיצונית לחלון. פתח טיפול תחתון לתריס סגור בקלפה. סגירת התריס מבחוץ על ידי פריקסט בטון או לחילופין סינר פח מחופה רשת וטיח חוץ. -
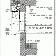
חלון הזזה עם תריס גלילה - 3
2.02.11חתך אנכי בסף התחתון של החלון. בפרט ניתן לראות את חיפוי הקיר מצידו הפנימי במעטפת גבס עם בידוד תרמי בצמר זכוכית, את המדרגה בבטון ואיטום הסף הנדרש ואת תריס הגלילה. קובץ משותף - 3 מ 4. דגם רום 120 של אקסטל -
חלון הזזה עם תריס גלילה - 1
2.02.11חתך אופקי בחלון הזזה עם תריס גלילה בהתקנה בקיר בטון. בפרט ניתן לראות את חיפוי הקיר מצידו הפנימי במעטפת גבס עם בידוד תרמי בצמר זכוכית ואת המשקוף הסמוי שתופס את קצה הקיר. קובץ משותף - 1 מ 4. דגם רום 120 של אקסטל -
תא לתריס רפפה חיצוני בקיר מטויח
11.09.07חתך אנכי בקיר הכולל כיס לתריס רפפה חיצוני. הכיס עשוי פריקסט בטון בעובי 5 ס\"מ. המסתיר לחלוטין את תא התריס. קצה הקיר העליון משמש כמעקה לסגירת הגג וכולל קופינג עם פס ניתוק מהטיח. חלון האלומיניום מותקן בצידו הפנימי של הקיר בגובה תקרת הגבס. -
פתח רפפת פלדה קבועה
13.11.07פרט וחתכים לפתח בו מותקנת רפפת ברזל קבועה. הרפפה עשויה לוחות פח פלדה מכופף המחוברים אל מסגרת משקוף. כל המסגרת מתחברת בעוגנים לפתח ומשמשת כסיום לטיוח. -
סף חלון עליון בקיר מצופה לבני סיליקט
24.07.07שתי אלטרנטיבות שונות לסף חלון עליון בקיר עם ציפוי של לבני סיליקט. אחד החתכים כולל חלון גלילה מונובלוק כשאלמנט פריקסט מכסה עליו מבחוץ. את השורה הראשונה של הלבנים מחזיקים באמצעות זוויתן פלדה. לבנות הסיליקט מצפות את הקיר בהדבקה. -
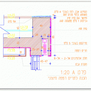
חלון בלגי בקיר אבן עם מסגרת פח ותריס
27.07.11סט פרטי בנין ובהם חלון פרופיל בלגי כולל מסגרת ברזל ותריס משרביה מברזל בחיתוך לייזר. הקיר בו מותקן החלון מחופה אבן מצידו החיצוני וגבס מצידו הפנימי. החלון נתון במסגרת פח פלדה 3 מ"מ. בפרטים מוצגים חתכים בנקודות שונות בחיבור החלון אל הקיר ואל הרצפה.







