חיפוש - סימבולים / בלוקים , שער |1|
לא מצאת? פשוט חפש.
-
שער כניסה להורדה
4.06.25שער כניסה שער כניסה לביה"ס , גן ילדים מעון בלוק לאוטוקאד גשדגשדגדשגשדגדשגשד -
פרט שער מסגרות שימור
19.09.24שער מסגרות עבודת נפחות למבנים לשימור משנות ה20 -
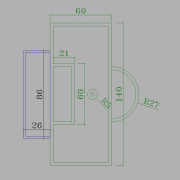
בלוק שער חשמלי
22.05.24בלוק שער חשמלי עם כל המבטים- מבט על + 4 חזיתות -
גלאי מתכות בטחון
22.10.23בלוק אוטוקאד במבט על של שער גלאי מתכות + מסוע בטחון ושולחן למאבטח שדה תעופה, תחנת רבת, קניון -
שער רפפה
20.11.22שער רפפה כולל שרטוטים -
מדרגות ומבנה
14.07.22תוגמה למבנה עם קישרות ומדרגות -
חתך שערים
25.04.22חתך אדמה + שערי כניסה לעיר תל שבע חתך בשכבות מוכפל , כולל שכבות אדמה -
שער גדר לחצר חקלאית
28.02.21שער כניסה לחצר חקלאית, שער מרשת לולים -
שער כדורגל
15.02.21שער למגרש כדורגל כולל מידות מבט על -
שער נגרר כפול עם חיתוכי לייזר
5.01.21שער נגרר דו כנפי מעוצב עשוי ברזל מגולוון וכולל חיתוך אומנותי בלייזר -
שער כדורגל
27.02.09שער כדורגל, חזית, מבט צד -
שער עם פיתוחים
2.08.07חזית שער עם פיתוחי מתכת - דו ממד לשימוש בחזיתות.







