פרטי בנין - מערכת סינון אב"כ למרחב מוגן

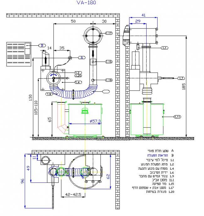
מערכת אוורור וסינון 180/480 VA, מיועדת לממ"מ של עד 12 מ"ר ולמיגון של 30 נפשות. תכנית, חזית ומבט צד, כולל מידות.
מערכת סינון אוויר, מידות להתקנה
משתתף במבצע
דווח על הפרת זכויות יוצרים לקובץ זה

אסור לפספס!

קובץ DWG דינאמי לתכנון מטבחים

קובץ DWG דינאמי לתכנון מטבחים

הקובץ שיהפוך את מלאכת השרטוט למהירה, יעילה מדויקת והכי חשוב, למזער טעויות בשטח. הקובץ נבנה מתוך השטח, לאחר עבודה עם מאות לקוחות ועם אנשי מקצוע ותוך הבנה שעלינו לשרטט את המטבח בצורה המקצועית ביותר ולהתחשב במידות הברוטו והנטו של המטבח.
בלוק DWG דינמי - אלומיניום ופתחים

בלוק DWG דינמי - אלומיניום ופתחים

קובץ פרימיום שיקח את תכנון האלומניום שלכם למקצוענות שיא ויקצר את תהליכי העבודה. הקובץ נוצר במיוחד לתכנון אלומיניום ומפרט אלומיניום מקצועי ע"י מעצבת הפנים טלי דוגמא בשילוב אנשי מקצוע מהתחום ומומחה תוכנה.
ספר חומרים דיגיטלי

ספר חומרים דיגיטלי

ספר דיגיטלי צבעוני מעל 100 עמודים שניתן לצפייה בנייד ובמחשב המחולק לשלושה שלבים: לגעת בחומר, לגעת בצבע, סגנונות עיצוב.
ספר מטבחים דיגיטלי

ספר מטבחים דיגיטלי

ספר המטבחים מאגד בתוכו את כל הדרוש לתכנון המטבח המדוייק. החל מתכנון הפנים והחזית ועד לסוגי ידיות וקנטים במשטחי העבודה. הספר מלווה בתמונות והמחשות.

תגובות